




? Our products adopt the third generation vector technology and have excellent performance.
A. 0.5Hz can provide 150% starting torque.
B. Torque response speed less than 20 ms.
C. Providing Torque Limitation to Protect Equipment Safety.
? Our products have powerful functions.
A. Current limiting function—Avoiding Frequent Over-current Alarm of Frequency Converter.
B. Power dip ride through—Instantaneous power outage time converter will not shut down.
C. Simple PLC Programming—It can achieve up to 16-segment speed operation.
D. Multiple Protection of Motor—Short-circuit, phase-absence, over-current, over-voltage, under-voltage, over-heat, over-load protection, etc.
? Our products have a comprehensive configuration.
A. Built-in brake unit—Brake function can be realized by matching brake resistance
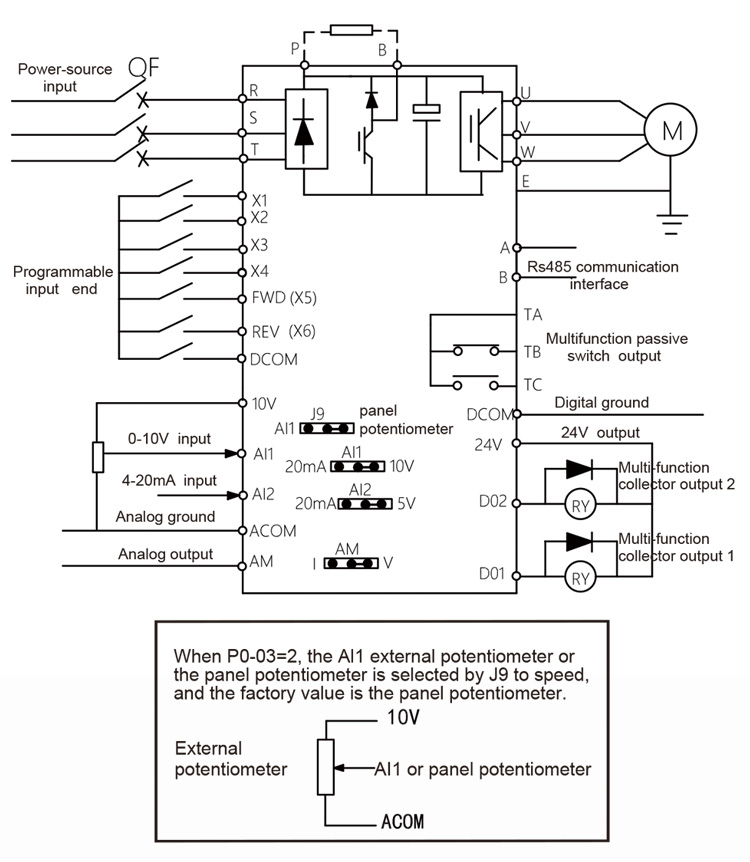
B. 18 functional terminals—Hundreds of functions can be realized through different combinations
C. Standard RS485 communication—It can communicate and monitor remotely with PLC or PC.
D. Relay output—More complex linkage control functions can be realized.
? Details of our products.
Isolated aluminium heat dissipation base




Address: 7F Bldg #E, North Area No. 8 Shangxue Technology Industrial city,Shenzhen,China
Company email: szqinverter@foxmail.com
My WhatsApp: +86 13923476670
copyright ?深圳市瑋肯電氣技術有限公司 版權所有 粵ICP備13028075號-3
Web Map 丨